从产品设计、开发、模具制造、产品压铸、冲压、精密制造加工、流水线喷涂、电镀等表面处理、流水线装配等等;对每一道工序质量都严格控制、精益求精。在国内外取得了客户一致好评,在同行业享有很高的知名度。
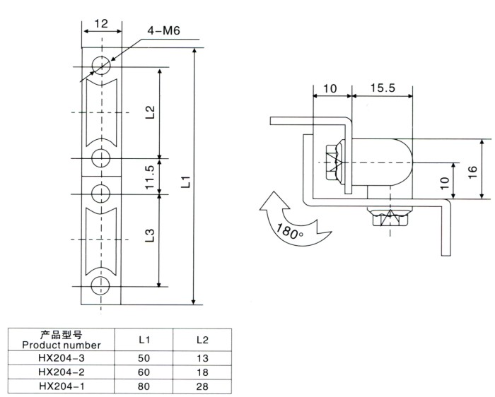
主材料:304不锈钢
表面处理:拉丝、不锈钢本色
功能用途:可开启角度180°